歡迎光臨泊頭市鴻海泵業有限公司官網!

15933274150
熱門關鍵詞:
咨詢熱線
15933274150
ISW臥式管道離心泵 適用于:冶金、化工、紡織、造紙、以及賓館飯店等鍋爐熱水增壓循環輸送及城市采暖系統,ISWR型使用溫度T≤120℃。
15933274150
管道離心泵產品 點:
運行平穩:泵軸的 同心度及葉輪異的動靜平衡,保證平穩運行, 振動。
滴水不漏:不同材質的硬質合金密封,保證了不同介質輸送均無泄漏。
噪音低:兩個低噪音軸承支撐下的水泵,運轉平穩,除電機微弱聲響,基本無噪音。
故障率低:結構簡單合理,關鍵部分采用 ;配套,整機無故障工作時間大大提高。
維修方便: 換密封、軸承,簡易方便。
占地 省:出口可向左、向右、向上三個方向,便于管道布置安裝,節省空間。
工作條件:
1、吸入壓力≤1.6MPa,或泵系統高工作壓力 ≤1.6MPa,即泵吸入口壓力+泵揚程≤1.6MPa、泵靜壓試驗壓力為2.5MPa,訂貨時請注明系統工作壓力。泵系統工作壓力大于1.6MPa時應 在訂貨時另行提出,以便在制造時泵的過流部分和聯接部分采用鑄鋼材料。
2、環境溫度<40℃,相對濕度<95。
3、所輸送介質中固體顆粒體積含量不超過單位體積的0.1,粒度<0.2mm。
注:如使用介質為帶有細小顆粒,請在訂貨時注明,以便廠家采用耐磨式機械密封。
型號定義

適用范圍
1、ISW臥式清水泵,供輸送清水及物理化學性質類似于清水的其他液體之用,適用于工業和城市給排水,高層建筑增壓送水,園林噴灌,消防增壓,遠距離輸送,暖通制冷循環、浴室等冷暖水循環增壓及設備配套,使用溫度T≤80℃。
2、ISWR臥式熱水泵 適用于:冶金、化工、紡織、造紙、以及賓館飯店等鍋爐熱水增壓循環輸送及城市采暖系統,ISWR型使用溫度T≤120℃。
3、lSWH臥式化工泵,供輸送不含固體顆料,具有腐蝕性,粘度類似于水的液體,適用于石油、化工、冶金、電力、造紙、食品制藥和合成纖維等部門,使用溫度為-20~C~+120℃。
4、lSWB臥式管道油泵,供輸送汽油、煤油、柴油等用油類產品或易燃、易爆液體,被輸送介質溫度為一20~C~+120℃。
性能參數
本數據僅供參考。



性能圖譜
ISW型臥式管道離心泵(曲線圖譜)

結構圖紙

1 電動機:直接與水泵聯接傳送動力,采用名牌電機。
2 泵軸:與電機同軸,為電機加長軸,確保了軸的同心,使泵運轉平穩。無噪音和振動現象,采用鍍鉻處理,增強了使用壽命。
3 擋水圈:防止因密封漏水而使電機進水。
4 機械密封:采用不銹鋼、碳化鎢、氟橡膠等材料制成。平衡式耐高溫。高壓機械密封,運行壽命長,不滲漏,對軸無磨損,不積水垢,保證工作環境的整潔。
5 取壓塞:可安裝壓力表直觀監控泵的正常運行
6 泵體:壓出塞和吸入室采用水力模型設計而成,既美觀又,設有安裝底腳,便于安裝和運行穩固。
7 放氣塞:灌泵時排凈泵內空氣,保證了泵的正常啟動。
8 葉輪:采用的水力模型設計而成,具有率, 性好等 點。
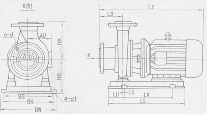
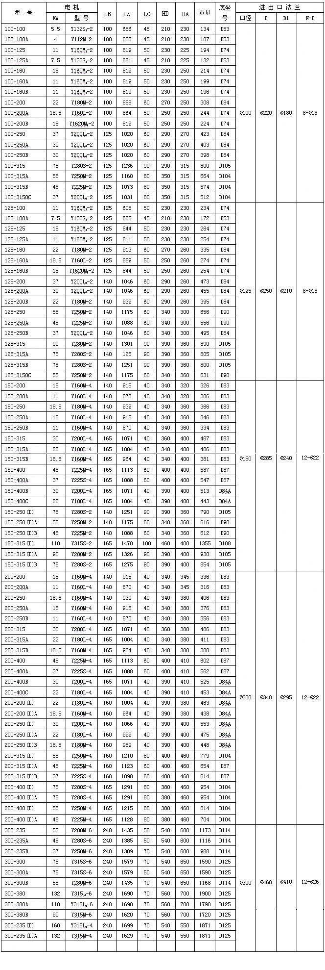
安裝尺寸
本數據僅供參考。
ISW型臥式管道離心泵(安裝尺寸)


注意事項
起動前準備:
1、試驗電機轉向是否正確,從電機頂部往泵看為順時針旋轉,試驗時間要短,以免使機械密封干磨損。
2、打?排氣^使液體充滿整個泵體,待滿后關閉排氣閥。
3、檢查各部位是否正常。
4、用手盤動泵以使潤滑液?入機械密封端面。
5、高?型應先?行預熱,升?速度50℃/小時,以保證各部受熱均勻。
起動:
1、全開進口閥門。2、關閉吐出管路閥門。3、起動電機,觀察泵運行是否正桷。4、調節出口閥?度以所需工況,如用?在泵出口處?有流?表或壓力表,應通過調節出口閥門?度使泵在性能參數表所列的頷定點上運轉,如用?在泵出口處裝有流量表或壓力表,應通過調節出口闔門?度,測?泵的電機電流,使電機在額定電流?運行,否則將造成泵超員荷運行(即大電流運行)至使電機燒壞。調正好的出口閥門?啟大與小和管道工況有關。5、檢?軸封泄漏情況,正常時機械密封泄漏應小于3滴/分。6、檢查電機、軸承處?升?70℃。
停車:
1、高?型先降?,降?速度〈10℃/分,把?度降低到80℃以下,才能停車。2、關閉吐出管路閥門。3、停止電機。4、關閉進口閥門。5、如長期停車,應將泵?液體放盡。
管道離心泵的維護
1、運行中的維護:
(2)進口管道充滿液體,禁止泵在汽蝕狀態下長期運行。(2)定時檢查電機電流?,不得超過電機頷定電流。(3)泵進行長期運行后,由于機械磨損,使機組噪音及振動增大時,應停車檢查,必要時可 ?易損零件及軸承,機組大修期一般為一年。
2、機械密封維護:
(1)機械密封潤滑應清潔無固體顆粒。(2)嚴禁機械密封在干磨情況下工作。(3)起動前應先盤動泵(電機)幾圈,以免突然起動造成石墨環斷裂損壞。(4)密封泄漏量允差3滴/分。否則應檢查。
| 故障現象 | 故障原因 | 排除方法 |
| 1、水泵不出水 | a、進出口閥門未打開,進出管路堵塞,流道葉輪堵塞。 b、電機運行方向不對,電機缺相轉速很慢。 c、吸入管漏氣。 d、泵沒灌滿液體,泵腔內有空氣。 e、進口供水不足,吸程過高,底閥漏水。 f、管路阻力過大,泵選型不當。 |
a、檢查,去除堵塞物。 b、調整電機方向,緊固電機接線。 c、擰緊各密封面,排除漏氣。 d、灌滿液體并打開排氣閥,排盡空氣。 e、停機,檢查、調整(并網自來水管或帶吸程使用易出現此現象)。 f、減少管路彎道,重新選泵。 |
| 2、水泵流量不足 | a、先按1.原因檢查。 b、管道、泵流道葉輪部分堵塞,水垢陳積,閥門開度不足。 c、電壓偏低。 d、葉輪磨損。 |
a、先按1.排除。 b、去除堵塞物,重新調整閥門開度。 c、穩壓。 d、 換葉輪。 |
| 3、功率過大 | a、超過額定流量使用。 b、吸程過高。 c、泵軸承磨損。 |
a、調節流量,關小出口閥門。 b、降低。 c、 換軸承。 |
| 4、雜音振動 | a、管路支撐不穩。 b、液體混有氣體。 c、產生汽蝕。 d、軸承損壞。 e、電機超載發熱運行。 |
a、穩固管路。 b、提高吸入壓力排氣。 c、降低真空度。 d、 換軸承。 e、調整按5。 |
| 5、電機發熱 | a、流量過大,超載運行。 b、碰擦。 c、電機軸承損壞。 d、電壓不足。 |
a、關小出口閥。 b、檢查排除。 c、 換軸承。 d、穩壓。 |
| 6、水泵漏水 | a、機械密封磨損。 b、泵體有砂孔或破裂。 c、密封面不平整。 d、安裝螺栓松懈。 |
a、 換。 b、焊補或 換。 c、修整。 d、緊固。 |



